Home
Downloads
Motorcycles
Cars
HiFi
Search
Top downloads
Yamaha Tenere 700 - Service Manual 2024 EN-
Downloads 193
Kawasaki - MOTORCYCLE HISTORY 1952-2014
Downloads 110
Kawasaki Ninja ZX-4R - Service Manual 2023
Downloads 102
2008_Honda CB600F Hornet- uzivatelska prirucka CZ
Downloads 63
Fiat Grande Panda - Owners manual 2025 EN
Downloads 56
CFMoto 700MT - Owners manual-
Downloads 51
Kawasaki ZX-4R - Owners-Manual EN 2026-ocr
Downloads 46
Kawasaki Ninja 400 - Owners-Manual EN 2023-ocr
Downloads 44
Suzuki GSX-S750 - Service manual EN-optocr
Downloads 42
Suzuki GSX-8T & 8TT - Owners manual EN 2026
Downloads 39
Top 10 this week
MG HS - Owner Manual - 2021 EN
Downloads 17
Yamaha Tenere 700 - Service Manual 2024 EN-
Downloads 15
Kawasaki Ninja 400 - Owners-Manual EN 2023-ocr
Downloads 14
SSP 687 Audi Q6 e-tron (type GF) - Self-Study Programme
Downloads 11
BYD ATTO 2 - Owners Manual 2024 EN
Downloads 11
2008_Honda CB600F Hornet- uzivatelska prirucka CZ
Downloads 6
Suzuki GSX-8T & 8TT - Owners manual EN 2026
Downloads 6
Seat Leon - Owners Manual 2026 EN
Downloads 6
VW - SSP 748_The Tiguan 2024 - Self Study Programme
Downloads 5
Yamaha TB-700-TEST-1973-07
Downloads 5
You are here:
Home
Downloads
HiFi
Marshall
Marshall Manuals
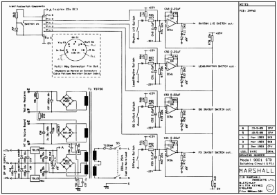
Marshall 9001-2 - Schematic
Overview
Search
Up
Overview
All Downloads
Latest Downloads
Popular Downloads
HiFi
- Accuphase
- - Accuphase Catalogs & Brochures
- - Accuphase Manuals
- - Alfa Romeo 155
- - Acoustic Research Catalogs & Brochures
- - Acoustic Research Manuals
- - Alfa Romeo 164
- - Aiwa Catalogs & Brochures
- - Aiwa Manuals
- - Alfa Romeo Brera - Spider
- - Akai Catalogs & Brochures
- - Akai Manuals
- - Alfa Romeo GT
- - Alto Catalogs & Brochures
- - Alto Manuals
- - Alfa Romeo MiTo
- - Arcam Catalogs & Brochures
- - Arcam Manuals
- Audio Technica
- - Audio Technica Catalogs & Brochures
- - Audio Technica Manuals
- - Audi 100 A6 1990-1997
- - Bang & Olufsen - Catalogs & Brochures
- - Bang & Olufsen - Manuals
- - Audi 60
- - Blaupunkt Catalogs & Brochures
- - Blaupunkt Manuals
- - Audi A1 2019
- - Bose Catalogs & Brochures
- - Bose Manuals
- - Audi A3 2013
- - Bowers & Wilkins - Catalogs & Brochures
- - Bowers & Wilkins - Manuals
- - Audi A4 2000
- - Cabasse Catalogs & Brochures
- - Cabasse Manuals
- - Audi A4 2016
- - Cambridge Audio Catalogs & Brochures
- - Cambridge Audio Manuals
- - Audi A5 2024
- - Celestion Catalogs & Brochures
- - Celestion Manuals
- - Audi A6 2011
- - Creek Catalogs & Brochures
- - Creek Manuals
- - Audi A7 2010
- - Denon Catalogs & Brochures
- - Denon Manuals
- - Audi A8 2002
- - Dual Catalogs & Brochures
- - Dual Manuals
- - Audi e-tron 2018
- - Dynaco Catalogs & Brochures
- - Dynaco Manuals
- - Audi Q3 2018
- - Dynaudio Catalogs & Brochures
- - Dynaudio Manuals
- - Audi Q5 2017
- - Eico Catalogs & Brochures
- - Eico Manuals
- - Audi Q7 2015
- - Epiphone Catalogs & Brochures
- - Epiphone Manuals
- - Audi TT 1998
- - Fender Catalogs & Brochures
- - Fender Manuals
- - BMW R1250GS 2019-2023
- - Fisher Catalogs & Brochures
- - Fisher Manuals
- - BMW 1 2019
- - Gibson Catalogs & Brochures
- - Gibson Manuals
- - BMW 3 E30 1982
- - Grundig Catalogs & Brochures
- - Grundig Manuals
- - BMW 3 E90 2005
- - Hafler Catalogs & Brochures
- - Hafler Manuals
- - BMW 4 2013
- - Harman Kardon Catalogs & Brochures
- - Harman Kardon Manuals
- - BMW 5 2010
- - Heathkit Catalogs & Brochures
- - Heathkit Manuals
- - BMW 5 E39 1995
- - Ibanez Catalogs & Brochures
- - Ibanez Manuals
- - BMW 6 2017
- - Infinity Catalogs & Brochures
- - Infinity Manuals
- - BMW 7 1994
- - ITT Catalogs & Brochures
- - ITT Manuals
- - BMW 7 2015
- - JBL Catalogs & Brochures
- - JBL Manuals
- - BMW i5 2023
- - JVC Catalogs & Brochures
- - JVC Manuals
- - BMW iX1 2022
- - Kenwood Catalogs & Brochures
- - Kenwood Manuals
- - BMW X1 2009
- - Klipsch Catalogs & Brochures
- - Klipsch Manuals
- - BMW X2 2017
- - Lenco Catalogs & Brochures
- - Lenco Manuals
- - BMW X3 2010
- - Luxman Catalogs & Brochures
- - Luxman Manuals
- - BMW X4 2018
- - Marantz Catalogs & Brochures
- - Marantz Manuals
- - BMW X5 2013
- - Marshall Catalogs & Brochures
- - Marshall Manuals
- - BMW X6 2014
- - McIntosh Audio Catalogs & Brochures
- - McIntosh Manuals
- - Fantic Caballero 500
- - Nakamichi Catalogs & Brochures
- - Nakamichi Manuals
- - BYD DOLPHIN
- - NEC Catalogs & Brochures
- - NEC Manuals
- - BYD SEAL U
- - Onkyo Catalogs & Brochures
- - Onkyo Manuals
- - Honda CB500 Hornet od 2024
- - Panasonic Catalogs & Brochures
- - Panasonic Manuals
- - Citroen Berlingo 2018
- - Philips Catalogs & Brochures
- - Philips Manuals
- - Citroen C1 2014
- - Pioneer Catalogs & Brochures
- - Pioneer Manuals
- - Citroen C3 2009
- - Quad Catalogs & Brochures
- - Quad Manuals
- - Citroen C3 Aircross 2017
- - Quadral Catalogs & Brochures
- - Quadral Manuals
- - Citroen C4 2004
- - ReVox Catalogs & Brochures
- - ReVox Manuals
- - Citroen C4 Picasso 2006
- - Rotel Catalogs & Brochures
- - Rotel Manuals
- - Citroen C5 2007
- - Saba Catalogs & Brochures
- - Saba Manuals
- - Citroen C6 2005
- - Sansui Catalogs & Brochures
- - Sansui Manuals
- - Citroen Jumper od 2006
- - Sanyo Catalogs & Brochures
- - Sanyo Manuals
- - Citroen Jumpy spacetourer 2016
- - Sencor Catalogs & Brochures
- - Sencor Manuals
- - Citroen Xsara Picasso 1999
- - Sharp Catalogs & Brochures
- - Sharp Manuals
- - Kawasaki _Price lists
- - Sherwood Catalogs & Brochures
- - Sherwood Manuals
- - Kawasaki ER-5
- - Sony Catalogs & Brochures
- - Sony Manuals
- - Dacia 1100
- - Tandberg Catalogs & Brochures
- - Tandberg Manuals
- - Dacia Dokker 2012
- - Tannoy Catalogs & Brochures
- - Tannoy Manuals
- - Dacia Duster 2024
- - Tascam Catalogs & Brochures
- - Tascam Manuals
- - Dacia Logan
- - Teac Catalogs & Brochures
- - Teac Manuals
- - Dacia Sandero 2007
- - Technics Catalogs & Brochures
- - Technics Manuals
- - Dacia Solenza
- - Telefunken Catalogs & Brochures
- - Telefunken Manuals
- - Kawasaki Ninja ZX-14R
- - Tesla Catalogs & Brochures
- - Tesla Manuals
- - Kawasaki Versys 1000
- - Thorens Catalogs & Brochures
- - Thorens Manuals
- - Kawasaki Versys-X 300
- - Toshiba Catalogs & Brochures
- - Toshiba Manuals
- - Kawasaki W650 1999–2007
- - Uher Catalogs & Brochures
- - Uher Manuals
- - Kawasaki Z125 2018-
- - Wharfedale Catalogs & Brochures
- - Wharfedale Manuals
- - Kawasaki Z500 2024-
- - Yamaha Catalogs & Brochures
- - Yamaha Manuals
- - Kawasaki Z750
- - Kawasaki Z800
- - Kawasaki Z900 2018-
- - Kawasaki Z900 RS 2018-19
- - Fiat Palio
- - Fiat Panda
- - KTM 1190 Adventure 2013-2016
- - KTM 1290 Super Adventure od 2015
- - KTM 1290 Super Duke R od 2013
- - KTM 1390 Super Duke R od 2024
- - KTM 390 Adventure od 2020
- - KTM 390 Duke od 2013
- - KTM 640 Adventure 1998-2007
- - KTM 690 Duke od 2008
- - KTM 790 Adventure 2019-2021
- - Ford b-max 2012
- - Ford Bronco
- - Ford c-max-2003
- - Ford c-max-2011
- - Ford capri 2024
- - Ford ecosport-2012
- - Ford edge-2015
- - Ford explorer EV 2024
- - Ford fiesta-1-1976
- - Ford fiesta-2-1983
- - Ford fiesta-3-1989
- - Ford fiesta-4-1995
- - Ford fiesta-5-2002
- - Ford fiesta-6-2008
- - Ford fiesta-7-2017
- - Ford focus-1-1998
- - Ford focus-2-2004
- - Ford focus-3-2011
- - Ford focus-4-2018
- - Ford fusion - MPV
- - Ford galaxy mk1-mk2 1995
- - Ford galaxy mk3 2006
- - Ford galaxy mk4 2015
- - Ford ka-1996
- - Ford ka-2008
- - Ford ka-2016
- - Ford kuga-2008
- - Ford kuga-2012
- - Ford kuga-2019
- - Ford mondeo-mk1-1992
- - Ford mondeo-mk2-1997
- - Ford mondeo-mk3-2001
- - Ford mondeo-mk4-2006
- - Ford mondeo-mk5-2012
- - Ford Mustang
- - Ford Mustang Mach-E
- - Ford puma 1997
- - Ford puma 2019
- - Ford s-max-2006
- - Ford s-max-2015
- - Ford transit
- - Suzuki BANDIT GSF1250 2007-2016
- - Honda Accord 1976
- - Honda Accord 1981
- - Honda Accord 1985
- - Honda Accord 1989
- - Honda Accord 1993
- - Honda Accord 1998
- - Honda Accord 2002
- - Honda Accord 2007
- - Honda City 2008
- - Honda Civic 1972
- - Honda Civic 1979
- - Honda Civic 1983
- - Honda Civic 1987
- - Honda Civic 1991
- - Honda Civic 1995
- - Honda Civic 2000
- - Honda Civic 2005
- - Honda Civic 2011
- - Honda Civic 2015
- - Honda Civic 2021
- - Honda CR-V 1995
- - Honda CR-V 2001
- - Honda CR-V 2006
- - Honda CR-V 2011
- - Honda CR-V 2017
- - Honda CR-V 2023
- - Honda FR-V 2004
- - Honda HR-V 1998
- - Honda HR-V 2013
- - Honda HR-V 2021
- - Honda Jazz 2001
- - Honda Jazz 2007
- - Honda Jazz 2013
- - Honda Jazz 2020
- - Honda ZR-V 2023
- - Suzuki GSX1300R Hayabusa od 1999
- - Hyundai Accent 1994
- - Hyundai Accent 1999
- - Hyundai Accent 2005
- - Hyundai Accent 2010
- - Hyundai Accent 2017
- - Hyundai Bayon 2021
- - Hyundai Elantra 1990
- - Hyundai Elantra 1995
- - Hyundai Elantra 2000
- - Hyundai Elantra 2006
- - Hyundai Elantra 2010
- - Hyundai Elantra 2015
- - Hyundai Elantra 2020
- - Hyundai Genesis
- - Hyundai i20 2008
- - Hyundai i20 2014
- - Hyundai i20 2020
- - Hyundai i30 2007
- - Hyundai i30 2011
- - Hyundai i30 2016
- - Hyundai i40
- - Hyundai Inster 2025
- - Hyundai Ioniq 5 2021
- - Hyundai Ioniq 6 2022
- - Hyundai Ioniq 9 2025
- - Hyundai Kona 2017
- - Hyundai Kona 2023
- - Hyundai Nexo 2018
- - Hyundai Santa Fe 2001
- - Hyundai Santa Fe 2005
- - Hyundai Santa Fe 2012
- - Hyundai Santa Fe 2018
- - Hyundai Sonata 1985
- - Hyundai Sonata 1988
- - Hyundai Sonata 1993
- - Hyundai Sonata 1998
- - Hyundai Sonata 2004
- - Hyundai Sonata 2009
- - Hyundai Sonata 2014
- - Hyundai Sonata 2019
- - Hyundai Staria 2022
- - Hyundai Terracan
- - Hyundai Tucson 2004
- - Hyundai Tucson 2009
- - Hyundai Tucson 2015
- - Hyundai Tucson 2020
- - Triumph Daytona Super III 1993-1996
- - Jeep Avenger
- - Jeep Cherokee
- - Jeep Compass
- - Jeep Gladiator
- - Jeep Grand Cherokee
- - Jeep Recon
- - Jeep Renegade
- - Jeep Wagoneer
- - Jeep Wrangler
- - Triumph Rocket X 2015
- - Kia Carens 1999
- - Kia Carens 2006
- - Kia Carens 2012
- - Kia Carens 2022
- - Kia Carnival
- - Kia Ceed 2006
- - Kia Ceed 2012
- - Kia Ceed 2018
- - Kia EV3 2024
- - Kia EV4 2025
- - Kia EV6 2021
- - Kia EV9 2024
- - Kia K4 2025
- - Kia Niro 2016
- - Kia Niro 2021
- - Kia Picanto 2004
- - Kia Picanto 2011
- - Kia Picanto 2017
- - Kia PV5
- - Kia Rio
- - Kia Rio 2005
- - Kia Rio 2011
- - Kia Rio 2016
- - Kia Sephia
- - Kia Sorento
- - Kia Sorento 2009
- - Kia Sorento 2014
- - Kia Sorento 2020
- - Kia Sportage 1993
- - Kia Sportage 2004
- - Kia Sportage 2010
- - Kia Sportage 2015
- - Kia Sportage 2021
- - Kia Stonic 2017
- - Kia XCeed 2018
- - Triumph Thruxton 1200 2015-2021
- - Lancia Dedra
- - Lancia Delta
- - Lancia Kappa
- - Lancia Lybra
- - Lancia Musa
- - Lancia Phedra
- - Lancia Thema
- - Lancia Thesis
- - Lancia Voyager
- - Lancia Ypsilon
- - Triumph Tiger 1200 GT Pro 2021-
- - Lexus CT
- - Lexus ES
- - Lexus GS
- - Lexus GX
- - Lexus HS
- - Lexus IS
- - Lexus LBX
- - Lexus LC
- - Lexus LFA
- - Lexus LM
- - Lexus LS
- - Lexus LX
- - Lexus NX
- - Lexus RC
- - Lexus RX
- - Lexus RZ
- - Lexus SC
- - Lexus TX
- - Lexus UX
- - Triumph Tiger Sport 660 2021-
- - Mazda 2 2002
- - Mazda 2 2007
- - Mazda 2 2014
- - Mazda 2 2022
- - Mazda 3 2003
- - Mazda 3 2008
- - Mazda 3 2013
- - Mazda 3 2019
- - Mazda 5 2004
- - Mazda 5 2010
- - VOGE 125R
- - VOGE 300 Rally
- - VOGE 300R
- - VOGE 350AC
- - VOGE 525 ACX
- - VOGE 525 DSX
- - VOGE 525AC
- - VOGE 525R
- - VOGE 625 DSX
- - VOGE 650 DSX
- - VOGE 800 Rally
- - VOGE 900 DSX
- - VOGE SR1
- - VOGE SR16
- - VOGE SR3
- - VOGE SR4
- - Mazda MX-5 2005
- - Mazda MX-5 2015
- - Mazda Premacy 1999
- - Yamaha FJ-1100
- - Mercedes-Benz A W168 1997
- - Mercedes-Benz A W169 2004
- - Mercedes-Benz A W176 2012
- - Mercedes-Benz A W177 2018
- - Mercedes-Benz B W245 2005
- - Mercedes-Benz B W246 2011
- - Mercedes-Benz B W247 2019
- - Mercedes-Benz C W202 1993
- - Mercedes-Benz C W203 2000
- - Mercedes-Benz C W204 2007
- - Mercedes-Benz C W205 2014
- - Mercedes-Benz C W206 2021
- - Mercedes-Benz CL C140 1992
- - Mercedes-Benz CL C215 2000
- - Mercedes-Benz CL C216 2006
- - Mercedes-Benz CLK W208 1997
- - Mercedes-Benz CLK W209 2003
- - Mercedes-Benz E W124 1993
- - Mercedes-Benz E W210 1996
- - Mercedes-Benz E W211 2003
- - Mercedes-Benz E W212 2010
- - Mercedes-Benz E W213 2016
- - Mercedes-Benz E W214 2023
- - Mercedes-Benz EQA 2021
- - Mercedes-Benz EQB 2021
- - Mercedes-Benz EQC 2019
- - Mercedes-Benz EQE 2022
- - Mercedes-Benz EQS 2021
- - Mercedes-Benz EQT
- - Mercedes-Benz EQV
- - Mercedes-Benz G class
- - Mercedes-Benz GLA 2013
- - Mercedes-Benz GLA 2019
- - Mercedes-Benz GLB 2019
- - Mercedes-Benz GLC 2015
- - Mercedes-Benz GLC 2022
- - Mercedes-Benz GLE 1997
- - Mercedes-Benz GLE 2005
- - Mercedes-Benz GLE 2011
- - Mercedes-Benz GLE 2019
- - Mercedes-Benz GLS 2006
- - Mercedes-Benz GLS 2013
- - Mercedes-Benz GLS 2019
- - Mercedes-Benz S W116 1972
- - Mercedes-Benz S W126 1980
- - Mercedes-Benz S W140 1991
- - Mercedes-Benz S W220 1999
- - Mercedes-Benz S W221 2006
- - Mercedes-Benz S W222 2014
- - Mercedes-Benz S W223 2020
- - Mercedes-Benz T W415 2012
- - Mercedes-Benz T W420 2021
- - Mercedes-Benz V VIANO W638 1996
- - Mercedes-Benz V VIANO W639 2003
- - Mercedes-Benz V W447 2014
- - Yamaha YZF-R125
- - MG 3 2024
- - MG 4 2022
- - MG 5 EV 2022
- - MG Cyberster 2024
- - MG HS 2018
- - MG HS 2024
- - MG ZS 2017
- - MG ZS 2024
- Mitsubishi
- - Mitsubishi ASX-2010
- - Mitsubishi ASX-2023
- - Mitsubishi Colt 2002
- - Mitsubishi Colt 2023
- - Mitsubishi Eclipse
- - Mitsubishi Galant 8
- - Mitsubishi Outlander 2001
- - Mitsubishi Outlander 2006
- - Mitsubishi Outlander 2012
- - Mitsubishi Outlander 2021
- - Mitsubishi Pajero
- Nissan
- - Nissan Almera
- - Nissan Ariya 2022
- - Nissan Juke 2010
- - Nissan Juke 2019
- - Nissan Leaf 2010
- - Nissan Leaf 2017
- - Nissan Micra 1982
- - Nissan Micra 1992
- - Nissan Micra 2002
- - Nissan Micra 2010
- - Nissan Micra 2016
- - Nissan Patrol
- - Nissan Primera
- - Nissan Qashqai 2006
- - Nissan Qashqai 2013
- - Nissan Qashqai 2021
- - Nissan Terrano
- - Nissan Townstar 2022
- - Nissan X-Trail 2000
- - Nissan X-Trail 2007
- - Nissan X-Trail 2013
- - Nissan X-Trail 2021
- - Nissan Xterra
- Opel
- - Opel Adam
- - Opel Agila 1 2000
- - Opel Agila 2 2007
- - Opel Astra F
- - Opel Astra G
- - Opel Astra H
- - Opel Astra J
- - Opel Astra K
- - Opel Astra L
- - Opel Calibra
- - Opel Combo A 1986
- - Opel Combo B 1993
- - Opel Combo C 2001
- - Opel Combo D 2011
- - Opel Combo E 2018
- - Opel Corsa A 1982
- - Opel Corsa B 1993
- - Opel Corsa C 2000
- - Opel Corsa D 2006
- - Opel Corsa E 2014
- - Opel Corsa F 2019
- - Opel Crossland 2017
- - Opel Frontera 2025
- - Opel Grandland 2017
- - Opel Insignia 1 2008
- - Opel Insignia 2 2017
- - Opel Kadett E 1984
- - Opel Karl
- - Opel Meriva A 2003
- - Opel Meriva B 2010
- - Opel Mokka 1 2012
- - Opel Mokka 2 2020
- - Opel Movano A Renault Master 1998-2010
- - Opel Movano B Renault Master 2010-2021
- - Opel Movano C Fiat Ducato od 2021
- - Opel Omega A 1986
- - Opel Omega B 1994
- - Opel Senator A 1978
- - Opel Senator B 1987
- - Opel Signum
- - Opel Vectra A 1988
- - Opel Vectra B 1995
- - Opel Vectra C 2002
- - Opel Vivaro 1 1994
- - Opel Vivaro 2 2007
- - Opel Vivaro 3 2016
- - Opel Zafira A 1999
- - Opel Zafira B 2005
- - Opel Zafira C 2011
- Peugeot
- - Peugeot 106
- - Peugeot 206
- - Peugeot 207
- - Peugeot 208
- - Peugeot 208 2019
- - Peugeot 3008 2008
- - Peugeot 3008 2016
- - Peugeot 3008 2024
- - Peugeot 306
- - Peugeot 307
- - Peugeot 308 2007
- - Peugeot 308 2013
- - Peugeot 308 2021
- - Peugeot 406
- - Peugeot 407
- - Peugeot 408 2023
- - Peugeot 5008 2009
- - Peugeot 5008 2017
- - Peugeot 5008 2024
- - Peugeot 508 2010
- - Peugeot 508 2018
- - Peugeot 607
- - Peugeot 806
- - Peugeot Partner
- Porsche
- - Porsche 911 1964-1989
- - Porsche 911 930, 1975-1989
- - Porsche 911 964, 1989-1994
- - Porsche 911 991, 2012-2019
- - Porsche 911 992, 2019-
- - Porsche 911 993, 1995-1998
- - Porsche 911 996, 1999-2004
- - Porsche 911 997, 2005-2012
- - Porsche Boxster 986, 1996-2004
- - Porsche Boxster,Cayman 981, 2012-2016
- - Porsche Boxster,Cayman 987, 2005-2012
- - Porsche Boxster,Cayman 718 982, 2016-
- - Porsche Cayenne E1, 2002-2010
- - Porsche Cayenne E2, 2010-2017
- - Porsche Cayenne E3, 2017-
- - Porsche Macan 2014-2024
- - Porsche Macan 2024-
- - Porsche Panamera 970, 2009-2016
- - Porsche Panamera 971, 2016-2023
- - Porsche Panamera 972, 2023-
- - Porsche Taycan 2019
- Renault
- - Renault 21
- - Renault 4 e-tech
- - Renault 5 1972-1996
- - Renault 5 e-tech
- - Renault Arcana 2020
- - Renault Austral - 2022
- - Renault Captur 1 - 2013
- - Renault Captur 2 - 2020
- - Renault Clio 1 - 1990
- - Renault Clio 2 - 1998
- - Renault Clio 3 - 2005
- - Renault Clio 4 - 2012
- - Renault Clio 5 - 2019
- - Renault Clio 6 - 2025
- - Renault Espace 1 - 1984
- - Renault Espace 2 - 1991
- - Renault Espace 3 - 1996
- - Renault Espace 4 - 2002
- - Renault Espace 5 - 2015
- - Renault Espace 6 - 2023
- - Renault Fluence 2009
- - Renault Kadjar-2015
- - Renault Kangoo 1 - 1997
- - Renault Kangoo 2 - 2007
- - Renault Kangoo 3 - 2021
- - Renault Koleos 1 - 2006
- - Renault Koleos 2 - 2016
- - Renault Laguna 1 - 1994
- - Renault Laguna 2 - 2001
- - Renault Laguna 3 - 2007
- - Renault Latitude - 2010
- - Renault Master 1 - 1980
- - Renault Master 2 - 1997
- - Renault Master 3 - 2010
- - Renault Megane 1 - 1995
- - Renault Megane 2 - 2002
- - Renault Megane 3 - 2008
- - Renault Megane 4 - 2016
- - Renault Megane E-Tech - 2022
- - Renault Modus 2004
- - Renault Rafale E-Tech 2024
- - Renault Scenic 1 - 1996
- - Renault Scenic 2 - 2003
- - Renault Scenic 3 - 2009
- - Renault Scenic 4 - 2016
- - Renault Scenic E-Tech 2024
- - Renault Symbioz 2025
- - Renault Talisman - 2015
- - Renault Thalia 1 - 1999
- - Renault Thalia 2 - 2008
- - Renault Thalia 3 - 2013
- - Renault Trafic 1 - 1980
- - Renault Trafic 2 - 2001
- - Renault Trafic 3 - 2014
- - Renault Twingo 1 - 1993
- - Renault Twingo 2 - 2007
- - Renault Twingo 3 - 2014
- - Renault VelSatis - 2001
- - Renault Wind - 2010
- Seat
- - Seat _SSP - Self-service program
- - Seat Alhambra MK1 1996
- - Seat Alhambra MK2 2010
- - Seat Altea
- - Seat Arona 2017
- - Seat Arosa 1997
- - Seat Ateca 2016
- - Seat Exeo 2008
- - Seat Ibiza MK1 1984
- - Seat Ibiza MK2 1995
- - Seat Ibiza MK3 2002
- - Seat Ibiza MK4 2008
- - Seat Ibiza MK5 2017
- - Seat Leon 1
- - Seat Leon 2
- - Seat Leon MK3 2012
- - Seat Leon MK4 2020
- - Seat Mii 2011
- - Seat Tarraco 2019
- - Seat Toledo MK1 1991
- - Seat Toledo MK2 1998
- - Seat Toledo MK3 2004
- - Seat Toledo MK4 2012
- Skoda
- - Skoda - Dilenske-ucebni-pomucky Self-Service-program
- - Skoda - Workshop manuals
- - Skoda 100
- - Skoda 105-120-rapid-garde
- - Skoda Citigo
- - Skoda Elroq
- - Skoda Enyaq
- - Skoda Fabia
- - Skoda Fabia 2
- - Skoda Fabia 3
- - - Skoda Fabia 3 - Workshop Service Manual
- - Skoda Fabia 4
- - Skoda Favorit
- - Skoda Felicia
- - Skoda Kamiq
- - Skoda Karoq
- - Skoda Kodiaq
- - Skoda Kodiaq 2024
- - Skoda Octavia
- - Skoda Octavia 2-
- - Skoda Octavia 3
- - Skoda Octavia 4
- - Skoda Rapid-
- - Skoda Roomster
- - Skoda Scala
- - Skoda Superb
- - Skoda Superb 2
- - Skoda Superb 3
- - Skoda Superb 4 2024
- - Skoda Yeti
- SsangYong (KGM)
- - Ssang Yong (KGM) Korando 4 2019
- - Ssang Yong Korando 1 1982
- - Ssang Yong Korando 2 1996
- - Ssang Yong Korando 3 2010
- Subaru
- - Subaru BRZ 2012
- - Subaru BRZ 2021
- - Subaru crosstrek 2022
- - Subaru forester 1997
- - Subaru forester 2002
- - Subaru forester 2009
- - Subaru forester 2012
- - Subaru forester 2018
- - Subaru forester 2024
- - Subaru impreza 1992
- - Subaru impreza 2000
- - Subaru impreza 2007
- - Subaru impreza 2011
- - Subaru impreza 2016
- - Subaru impreza 2023
- - Subaru justy
- - Subaru legacy 1989
- - Subaru legacy 1993
- - Subaru legacy 1998
- - Subaru legacy 2003
- - Subaru legacy 2009
- - Subaru legacy 2014
- - Subaru levorg 2014
- - Subaru levorg 2020
- - Subaru outback 1994
- - Subaru outback 1999
- - Subaru outback 2003
- - Subaru outback 2009
- - Subaru outback 2014
- - Subaru outback 2020
- - Subaru outback 2025
- - Subaru Solterra
- - Subaru XV 2012
- - Subaru XV 2017
- Suzuki
- - Suzuki Ignis 2000-2008
- - Suzuki Ignis 2016 -
- - Suzuki Jimmy 1998
- - Suzuki Jimmy 2018
- - Suzuki S-Cross 2022
- - Suzuki Swift 1983–2004
- - Suzuki Swift 2004-2010
- - Suzuki Swift 2010–2017
- - Suzuki Swift 2016-2023
- - Suzuki Swift 2024 -
- - Suzuki SX4 2006-2014
- - Suzuki SX4 2014 -
- - Suzuki Vitara 1989–1999
- - Suzuki Vitara 1998–2005
- - Suzuki Vitara 2005–2017
- - Suzuki Vitara 2015 -
- Tesla
- - Tesla Model 3
- - Tesla Model S
- - Tesla Model X
- - Tesla Model Y
- Toyota
- - Toyota Auris 2006
- - Toyota Auris 2012
- - Toyota Auris 2018
- - Toyota Avensis 1997
- - Toyota Avensis 2003
- - Toyota Avensis 2009
- - Toyota Aygo 2005
- - Toyota Aygo 2014
- - Toyota BZ4X 2022
- - Toyota C-HR
- - Toyota Camry 2017
- - Toyota Carina 1970
- - Toyota Carina 1977
- - Toyota Carina 1981
- - Toyota Carina 1984
- - Toyota Carina 1988
- - Toyota Carina 1992
- - Toyota Carina 1996
- - Toyota Celica 1970
- - Toyota Celica 1977
- - Toyota Celica 1981
- - Toyota Celica 1985
- - Toyota Celica 1989
- - Toyota Celica 1993
- - Toyota Celica 1999
- - Toyota Corolla 1966-1991
- - Toyota Corolla 1991-2000
- - Toyota Corolla 2000
- - Toyota Corolla 2006
- - Toyota Corolla 2012
- - Toyota Corolla 2018
- - Toyota Corolla Cross 2022
- - Toyota Corolla Verso 2001
- - Toyota Corolla Verso 2004
- - Toyota Hilux 1968
- - Toyota Hilux 1972
- - Toyota Hilux 1978
- - Toyota Hilux 1983
- - Toyota Hilux 1988
- - Toyota Hilux 1997
- - Toyota Hilux 2004
- - Toyota Hilux 2015
- - Toyota Land Cruiser 1990
- - Toyota Land Cruiser 1998
- - Toyota Land Cruiser 2007
- - Toyota Land Cruiser 2021
- - Toyota RAV4 1994
- - Toyota RAV4 2000
- - Toyota RAV4 2005
- - Toyota RAV4 2012
- - Toyota RAV4 2018
- - Toyota Supra 1978
- - Toyota Supra 1981
- - Toyota Supra 1986
- - Toyota Supra 1993
- - Toyota Supra 2019
- - Toyota Verso 2009
- - Toyota Yaris 1999
- - Toyota Yaris 2005
- - Toyota Yaris 2011
- - Toyota Yaris 2020
- - Toyota Yaris Cross 2020
- Volkswagen
- - VW _General Repair Manuals
- - VW _SSP - Self Study Programme
- - VW _Worskhop manuals
- - VW Arteon 2017
- - VW Beetle
- - VW Golf MK1 - 1974
- - VW Golf MK2 - 1983
- - VW Golf MK3 - 1991
- - VW Golf MK4 - 1997
- - VW Golf MK5 - 2003
- - VW Golf MK6 - 2008
- - VW Golf MK7 - 2012
- - VW Golf MK8 - 2019
- - VW ID.3
- - VW ID.4
- - VW ID.5
- - VW ID.7
- - VW ID.Buzz
- - VW Multivan T6
- - VW Multivan T7 2022
- - VW Passat B1 (Typ 32, 1973 – 1981)
- - VW Passat B2 (Typ 32B, 1981 – 1988)
- - VW Passat B3 a B4 (Typ 35i, 1988 – 1996)
- - VW Passat B5 a B5.5 Typ 3B-3BG, 1996 – 2005
- - VW Passat B6 a B7 (Typ 3C, 2005-2015)
- - VW Passat B8 (Typ 3G; od 2015)
- - VW Passat B9 od 2023
- - VW Polo MK1 1975
- - VW Polo MK2 1981
- - VW Polo MK3 1994
- - VW Polo MK4 2002
- - VW Polo MK5 2009
- - VW Polo MK6 2017
- - VW Sharan 1995-2010
- - VW Sharan od 2010
- - VW T-Cross 2019
- - VW T-Roc 2017
- - VW Taigo 2020
- - VW Tayron 2024
- - VW Tiguan 2007
- - VW Tiguan 2016
- - VW Tiguan 2024
- - VW Touareg 2002
- - VW Touareg 2010
- - VW Touareg 2018
- - VW Touran 2003
- - VW Touran 2015
- - VW Transporter T4 1990
- - VW Transporter T5 2003
- - VW Transporter T6 2016
- - VW Transporter T7 2024
- - VW Type 2 transporter T1, T2, T3
- - VW up
- Volvo
- - Volvo 440 460
- - Volvo 480
- - Volvo 740 760
- - Volvo 780
- - Volvo 850 1992-1997
- - Volvo 960 1990-1998
- - Volvo C30 2006-2013
- - Volvo C40 2021
- - Volvo C70 1996-2005
- - Volvo C70 2006-2013
- - Volvo EC40 2024-
- - Volvo EX30 2024-
- - Volvo EX40 2024-
- - Volvo EX90 2024-
- - Volvo S40 V40 1995-2004
- - Volvo S40 V50 2004-2012
- - Volvo S60 2000-2009
- - Volvo S60 V60 2010-2018
- - Volvo S60 V60 2019
- - Volvo S80 1998-2006
- - Volvo S80 2006-2016
- - Volvo S90 V90 2016-
- - Volvo V40 2012-2019
- - Volvo V70 1996-2000
- - Volvo V70 XC70 2000-2007
- - Volvo V70 XC70 2008-2016
- - Volvo XC40 2018-
- - Volvo XC60 2008-2017
- - Volvo XC60 2017-
- - Volvo XC90 2002-2014
- - Volvo XC90 2015-
Download details
Marshall 9001-2 - Schematic
Rating:
(0 votes)
Download
Created
16.12.2025
Changed
16.12.2025
Size
86.25 KB
Downloads
1
Back
Statistics
Number of files to downloads:
41,160
Number of categories:
1,701
.
To date, these have been downloaded
97,715
times.
Top 10 today
Kawasaki Ninja 400 - Owners-Manual EN 2023-ocr
(
Downloads 12 )
BYD ATTO 2 - Owners Manual 2024 EN
(
Downloads 11 )
Seat Leon - Owners Manual 2026 EN
(
Downloads 6 )
VW - SSP 748_The Tiguan 2024 - Self Study Programme
(
Downloads 5 )
VW - SSP 745_The Passat 2024 - Self Study Programme
(
Downloads 4 )
Suzuki GSX-8T & 8TT - Owners manual EN 2026
(
Downloads 4 )
SSP 632 Audi Q7 type 4M
(
Downloads 3 )
Aprilia SR-GT 125 - Brochure 2022 EN
(
Downloads 2 )
Toyota-Rav4-PHEV-2022-katalog-CZ
(
Downloads 2 )
VW - SSP 723_The 3,0l-V6-TDI-Engine of the EA897 Diesel Engine product line (Generation 3) - Self Study Programme
(
Downloads 2 )
Recent downloads
Kawasaki Versys 650 - Owners Manual 2019 EN
Kawasaki Versys 650
Kawasaki Versys 650 - Owners Manual 2026 EN
Kawasaki Versys 650
Ford Bronco - Owners Manual 2025 EN
Ford Bronco
Seat Leon - Owners Manual 2026 EN
Seat Leon MK4 2020
Ford Bronco Sport - Owners Manual 2025 EN
Ford Bronco
Login Form
Username
Password
Show Password
Remember Me
Sign in with a passkey
Log in
Forgot your password?
Forgot your username?
Create an account